图知网
搜索
首页
热门推荐
图片分类
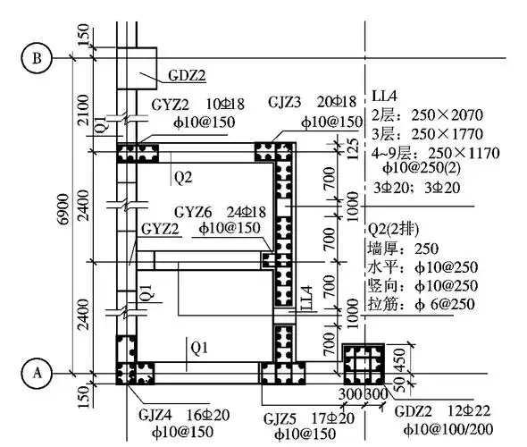
[施工图][四川]震后建筑7层剪力墙住宅结构施工图
下载原图
相关图片
一~二层剪力墙平面布置图.jpg
33层纯剪力墙结构工程施工图
我家新房剪力墙结构,有些装修问题
某地23层纯剪力墙结构住宅全套结构设计图
剪力墙的平面表示方法
本图纸为剪力墙小高层住宅cad结构施工图,图纸内容包括:基础平面布置
为你推荐
动物合集第16辑1820
武状元苏乞儿
现代垂直室内阳台楼梯台阶金属方管甲板铝栏杆系统设计
piaget passion订婚指环
典型人物头部简笔画
程茉时尚写真大片77
实拍2021款本田雅阁外观小改推出运动版可选新增水泥灰颜色
零食简笔画 原创