图知网
搜索
首页
热门推荐
图片分类
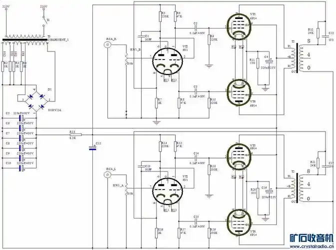
6p14胆机电路图
下载原图
相关图片
6p14小型电子管功放的制作
diy 6p14推挽求助 麻烦前辈们推荐一个好的电路图
求个单个6n11推6p14的电路图
6n2推6p14有两个6n2并联好还是叠串好
6p14推挽胆机20w功放电路图制作胆机过程发现和图纸电压不一样该怎么
求一张6n2 6p14推挽图纸
为你推荐
陈奕迅演唱会2024行程安排(时间表 地点 歌单 曲目单)_eason_巡回_and
红嘴相思鸟优美姿态#难得一见的画面 #不一样的美 #可爱小精 - 抖音
你是不是不想理我的表情包
秋高气爽,阳光明媚,菊花 绽放灿烂的笑脸,小太阳 幼儿园的老师们带领
情感励志句子:写给女人的十句话;致——(自己)
剪刀手情侣头像
千姿百态的梅花唯美高清桌面壁纸
光遇琴谱