图知网
搜索
首页
热门推荐
图片分类
手机接口成大统mhl深入解析及展望
下载原图
相关图片
全球各种线材的包装 赏析
请问各位朋友,有人非常了解hdmi接口吗?
hdmi可以接普通lcd点阵屏么
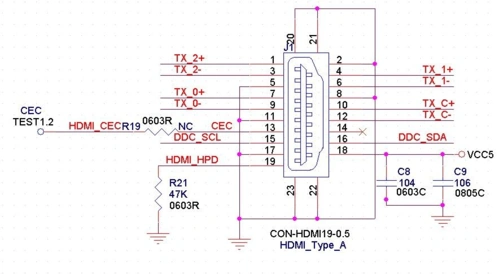
hdmi线序接法图解hdmi接口线序与接头线序引脚定义
hdmi管脚定义
hdmi公头焊线 镀金 hdmi焊接头 外壳高质量成型胶套外壳 hdmi外模
为你推荐
midjourney龙与少年人物风格化 #动漫壁纸# #动漫
小芝小麻表情包
婚礼当天李小冉身着一袭白色抹胸婚纱,在布鲁塞尔的梦幻古堡中,举行了
创意合成海报《冰火龙》
房屋出租合同
【一线】95后男护士抗"疫"的9天
可爱大小姐孙尚香水果甜心王者荣耀cosplay
印刷企业文化墙团队风采照片墙活动展板