图知网
搜索
首页
热门推荐
图片分类
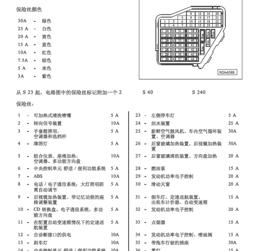
进口汽车保险丝大众奥迪a6l斯柯达明锐 晶锐朗逸迈腾新宝来高尔夫
下载原图
相关图片
【图】1.8t保险丝布置对照彩图-大图_2_帕萨特论坛|帕协_爱卡汽车
各车型保险丝盒图解详细说明第二弹(含11款车型)
8t报p2294 p2295_大众_帕萨特_汽车大师
【保险盒】大众部分车型保险盒取电示意
新桑塔纳保险丝盒图解 (第1页) - 图说健康
2002年大众帕萨特保险分配
为你推荐
尊龙他的气质放到现在就是一霸道总裁
桥湖小学学生迎中秋.庆国庆绘画作品
家用盆栽小喷壶嘴头浇花雾状喷壶配件喷嘴可乐饮料瓶通用喷雾器头
小奶狗变成了小狼狗.@陆柏 #少年感 #男生写真 #夜拍 - 抖音
中国最污的景区2处景点让游客看了都会脸红
关于实德
赵文峰主持召开市政府常务会议
女孩头像简笔画教程卡通人物插画简单可爱