图知网
搜索
首页
热门推荐
图片分类
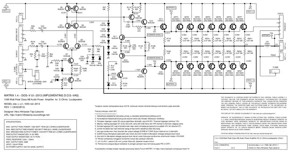
1000w全桥电源-音响双电压输出部分电路图
下载原图
相关图片
1000w2欧低阻驱动63v双电压功放电路
1000w专业功放电路图
超大功率功放机电路图
超大功率功放机电路图
超大功率功放机电路图
无忧文档 所有分类 工程科技 电子/电路 高峰纯后级功放原理图 (共1页
为你推荐
手绘版全家福
商业画布模板
《我变成一只喷火龙了!
软萌治愈动漫美女桌面壁纸
难开的《亲属关系证明》应当怎么开
1.苦水玫瑰我们一同走进兰州地区,了解当地特色农产品.
宝马 宝马5系 2022款 改款 530li 尊享型 m运动套装图片
小朋友和爸爸,妈妈精心制作的摊位牌!