图知网
搜索
首页
热门推荐
图片分类
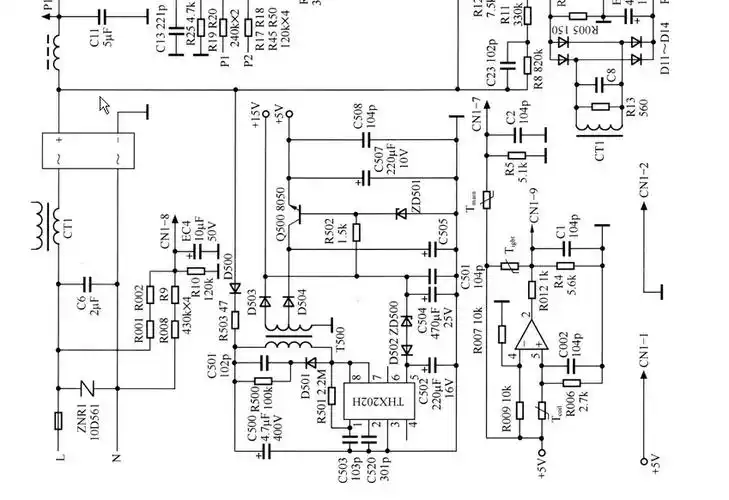
九阳电磁炉19as9主板
下载原图
相关图片
九阳jyc-21gs02电磁炉电路图 更新1
九阳j c 1型主板电路 yp2t
九阳电磁炉jycp21zea主控板原理图
九阳电磁炉电路图及电路原理详解图文
电磁炉电路
九阳电磁炉jyc-19as9 主板ic500爆了,是什么东西,型号多少
为你推荐
翡翠手镯.【高冰飘绿手镯胚】【价格】喜讯9215【尺寸】5 - 抖音
最好看的锁骨发直发打造最流行的直发发型
枝侣 古风汉服女夏季青少女孩民国风女装学生班服复古小洋装改良汉服
简约生动覃卫水墨画欣赏
续命数十年!一条鞭法,张居正带给大明最后的曙光
龙且有多重要?为啥龙且一死,项羽就知道自己快灭亡了!
阳性说明:腹腔内游离液体>1000毫升.【体格检查 腹部叩诊】移动性浊音
韩剧《神圣的离婚》3/4 曹承佑,韩惠珍 #神圣的离婚 ~追 - 抖音