图知网
搜索
首页
热门推荐
图片分类
紫色系/女头/头像
下载原图
相关图片
紫色系323032333635头像 676767
紫色系二人闺蜜头像来啦!
紫色系头像真的爱了 #紫色系头像# #好看的头像# #头像分享
多巴胺闺蜜头像,紫色系的哦!
紫色系头像小仙女头像
可爱软萌紫色系卡通头像二次元女生可爱点
为你推荐
后,离开实验室,导致一个装有非常高浓度的氢化钠的双磨口圆底烧瓶炸开
部队里军人理寸头的原因,网友:不用曝光,猜也能猜到一些吧?
童时记忆手上的小烟花图片
讨厌自己的碎发多这样扎
全新定制的婚宴菜单
240_240gif 动态图 动图
《开心鬼》女神罗明珠享年47岁,竟然是为了复出演艺圈而死,没想到他
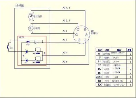
送丝机电气接线图_word文档在线阅读与下载_文档网