图知网
搜索
首页
热门推荐
图片分类
狗子从美容店回来后性情大变直到4个月后才真相大白好离奇
下载原图
相关图片
万分惊吓的狗子万分惊吓狗子表情
哈士奇博美好可爱狗都震惊了我家的狗狗不能这么可爱
震惊颤抖表情包
【为担保公司非法吸收存款 西安女业务员被判刑并罚款5万元】
不用多做啥表情,就一个眼神,就把忧郁二字演绎的淋漓尽致!
表情包做起来了#黑色巴哥 #狗狗日常 #巴哥
为你推荐
梅婷写真照
古风樱花花海意境,古风樱花花海意境图片,图片大全,高清图片,图片素材
bana彼岸花头像
什么是垂体腺瘤卒中? - 好大夫在线
[华祥/腾艺]腾艺礼品韩式精美套五长方形超大礼品盒包装盒储物盒礼物
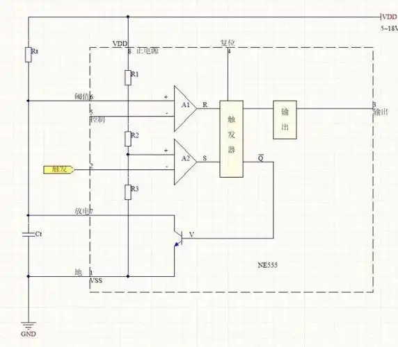
555数字集成电路介绍
(4k60帧 高清画质修复)艾斯奥特曼第三十五集 《佐菲的赠品》艾斯对战
我永远喜欢迪士尼呜呜呜#上海迪士尼 #梦幻城堡 #夜晚的迪士尼城堡