图知网
搜索
首页
热门推荐
图片分类
最终幻想13 高清壁纸(三)55 - 1280x800
下载原图
相关图片
《最终幻想13》4小时 29分 13秒 最速通关speedrun final fantasy
最终幻想13-cg合集
《最终幻想13》游戏壁纸
finalfantasyxiiifinaltrailer最终幻想13
最终幻想13:雷霆归来 游戏hd壁纸
最终幻想13高清壁纸
为你推荐
纪念汶川地震13周年公益海报psd素材
《西游记》金钱豹窜红,扮演者本尊现身回应,谦逊可亲送祝福_《西游记
把圆明园的原景还原出来才知道有多震撼!放在现今也相当炸裂
帅气男生头像动漫 冷酷 二次元 男神
手臂写实纹身图案
高三政治教学总结_教学工作总结高三政治教学总结s("fzoom");s("hzh0"
朋友圈早安励志正能量语录:你必须非常努力,才能看起来毫不费力
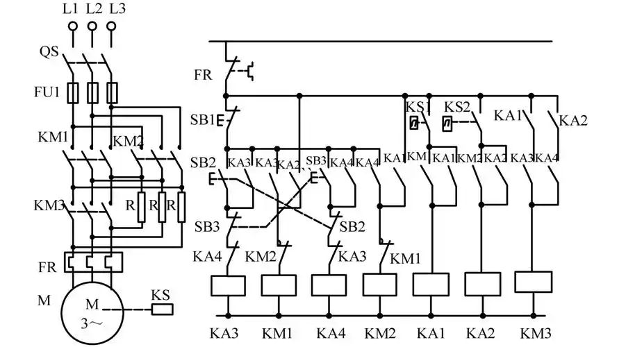
具有反接制动电阻的可逆运行反接制动的控制线路该电路工作原理如下