Warning: session_start(): open(/tmp/sess_kq60vla18hgg3fjq2g1nob32uk, O_RDWR) failed: No space left on device (28) in /www/wwwroot/www.tuzhiw.com/config.php on line 13

Warning: session_start(): Failed to read session data: files (path: ) in /www/wwwroot/www.tuzhiw.com/config.php on line 13
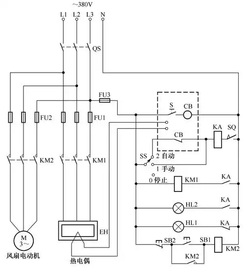
中国工控28例电气自动控制电路图都是干货快收藏吧 - 图知网

中国工控28例电气自动控制电路图都是干货快收藏吧

相关图片

为你推荐

再来一波杨幂的魅力写真身材曼妙魅力无限

有没有dc小丑的小丑壁纸

世界地形图_世界地图地图库_地图窝

3d小人手拿扩音器宣传类ppt素材图片

镂空折叠弓

有些孩子喜欢打人,你知道问题出在哪里吗?

大美阜阳高铁西站夜景

香港回归邮票一套


Warning: file_put_contents(/www/wwwroot/www.tuzhiw.com/cache/image/fd21234f8ff16c59c3c57a1876aaad32.html): Failed to open stream: No space left on device in /www/wwwroot/www.tuzhiw.com/config.php on line 196