图知网
搜索
首页
热门推荐
图片分类
在日常生活中家用电的放线图纸
下载原图
相关图片
电工实操考核中,最经典的7张电路图(高清收藏版)
plc控制两台电动机顺序启动电路
掌握这4种基本控制电路,初学电工看电路也不再难 - 电工基础_电工电气
xlt604在交流输入中的典型应用电路
300w计算机开关电源电路
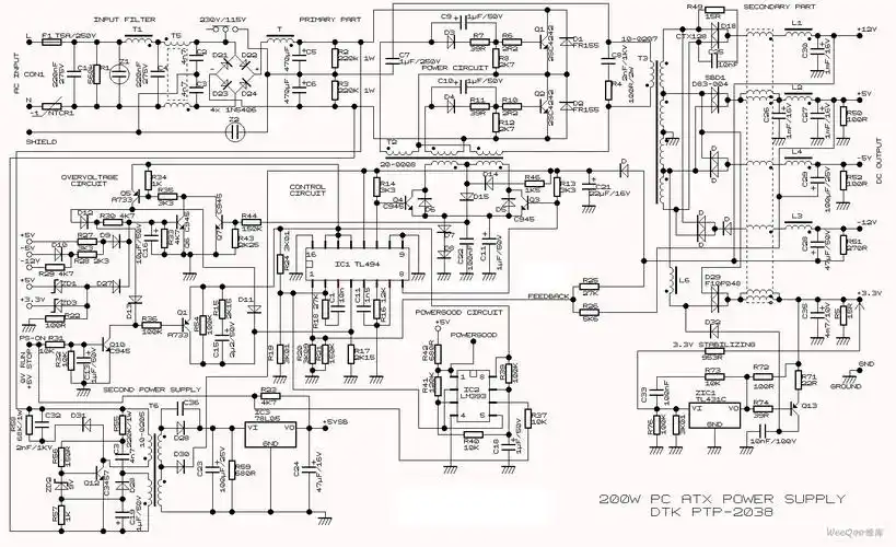
文档下载 所有分类 工程科技 电子/电路 > 经典大功率开关电源图纸fr
为你推荐
陈百强童年珍贵照片曝光 9岁追星陈宝珠成佳话
十七岁的宋亚轩和欢乐颂
放羊的星星
绘画简笔画|小姐超萌可爱小女孩简笔画简笔画可爱女生简笔画漫画可爱
安井闽南香肉午餐肉2.5kg火锅食材关东煮麻辣烫串串香包装火腿片
山核桃采收季(组照8张)
中国到底有多少个省市,行政区域,你记住了么
独一无二的班徽设计图案