图知网
搜索
首页
热门推荐
图片分类
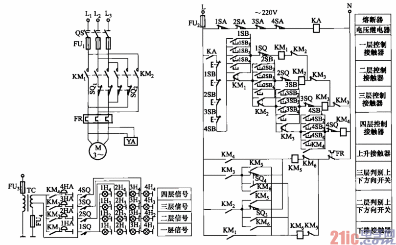
交流接触器控制简易升降货篮电路图(四层)
下载原图
相关图片
简易升降机控制电路
我想用个电动葫芦做升降平台,要求小电压上下限位就上下两层,要求准确
文档下载 所有分类 工程科技 电子/电路 > 2升降机电气原理图第1页
宝达施工升降机电路原理图
自动/手动升降机控制电路
施工升降机刹车控制电路
为你推荐
漫画人物怎么画小舞可爱q版
男生由丑变帅是一种怎样的体验
耐克标志设计
熬夜加班为明天的早餐奋斗u67
香炉
草原油画风景|插画|创作习作|九岳十九 - 原创作品 - 站酷 (zcool)
圣神七恩其实对于圣神的恩赐,我们每一位领受了坚振的人都有得到.
大头娃娃