图知网
搜索
首页
热门推荐
图片分类
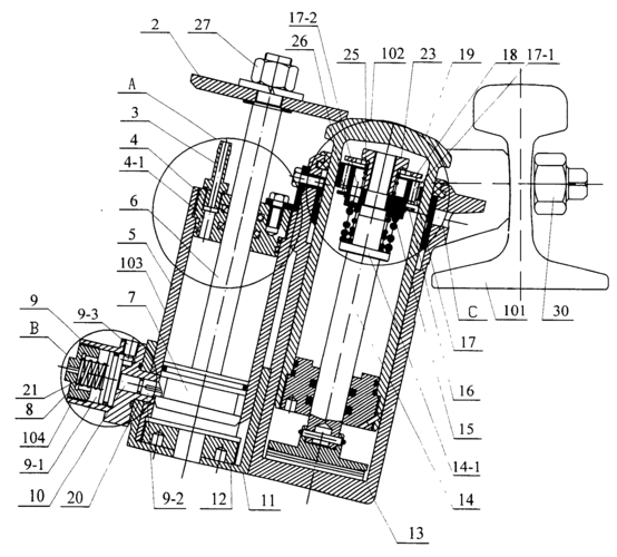
一种具有胀气楔的减速电机通气帽制造技术
下载原图
相关图片
一种减速机用防水通气帽
通气帽及其所应用的减速机-爱企查
加长管通气帽式减速机
cn105485313b_通气帽及其所应用的减速机
蜗轮蜗杆减速机结构图
免费文档 所有分类 工程科技 机械/仪表 减速器结构图 第1页 (共1页
为你推荐
逼死泰森的拳击教父唐金偶像毛邓险签邹市明
恐龙当家
超可爱01#宋雨琦 #gidle #q版 #procreate绘画 #qq人 #可爱
bec商务英语_不只是翔 shit的口语用法大全
篮球框可扣篮成人式室内篮筐篮球架室外投篮篮圈儿童篮筐家用黑色成人
带优秀两个字的头像我很优秀文字头像点击鼠标右键下载
间谍过家家动漫头像可爱小女孩头像
想要瘦手臂,收藏这一个就够了,私藏好久的瘦手臂动作,告别拜拜肉一周