图知网
搜索
首页
热门推荐
图片分类
勿忘我勿忘我干花失败怎么拯救啊
下载原图
相关图片
干花云南勿忘我花花束带花瓶套装天然家居摆设干花
勿忘我~自制干花
特价勿忘我干花500
粉色勿忘我鲜花基地地直云南昆明斗南鲜花速递干花鲜花速递同城
今日分享勿忘我干花
勿忘我干花.我的干花花束真的太美了!
为你推荐
严晓频:人生是一个圆_澎湃号·湃客_澎湃新闻-the paper
allcbule
高低通滤波,4段参数均衡,压缩器,延时,输入通道声像平衡调节 3:mic
炫酷漫威毒液帅气高清桌面壁纸
乳房长了两颗疙瘩很久了不痛不痒的怎么回事呢
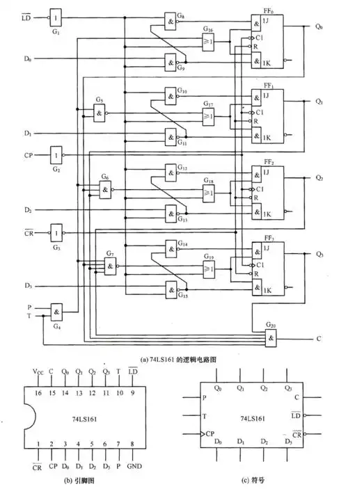
74ls161逻辑电路与引脚图
羊角脆
为古诗配画——长兴湖小学1603班古诗词赏析