图知网
搜索
首页
热门推荐
图片分类
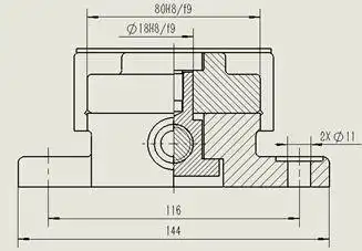
平口虎钳零件图
下载原图
相关图片
基于solidworks的台虎钳结构的改造及其功能的拓展【7张cad图纸和文档
读机用虎钳
平口虎钳零件图
虎钳毛坯图a4pdf
a1-丝杠零件图.dwg
平口虎钳零件图
为你推荐
蔡徐坤拼接壁纸来一波帅进了我的心里拨动了我的心弦
因编辑部的故事走红老戏骨刘蓓情路坎坷52岁成张若昀后妈
2021年流行的男生发型参考 这10款短发超帅气
般若
刘表——漂亮的草包
摩丝摩丝哈咪猫手帕纸抽纸超市 #抽纸# #哈咪猫# #hamicat# #生活用纸
定陶区一实小三年级开展"花开五月天,勤劳好少年"系列活动_劳动_家务
走进展厅的大门,以红色为主体色调,代表着热情奔放的旋律,立即让人