图知网
搜索
首页
热门推荐
图片分类
银河战甲套装十几套装,带妹吃鸡等你来战-和平精英租号-9891租号平台
下载原图
相关图片
和平精英:新军需银河战甲曝光,玩家:用心做抽奖,用脚做军需!
和平精英银河战甲皮肤图片
和平精英银河战甲皮肤图片
和平精英2月7日新军需上线 银河战甲系列科技感十足
和平精英新军需银河战甲曝光玩家用心做抽奖用脚做军需
和平精英银河战甲scarl多少钱 皮肤价格分析
为你推荐
仙剑比较帅气的头像,急求
巴基斯坦区位图 by leonsplanet
【minecraft】shulkercraft:击败和杀死末影龙的最佳方法
动漫头像,因保护他人而被刺死并转生到异世界成为了史莱姆
幽姬
东方红单缸32王!
美丽的蓝眼睛
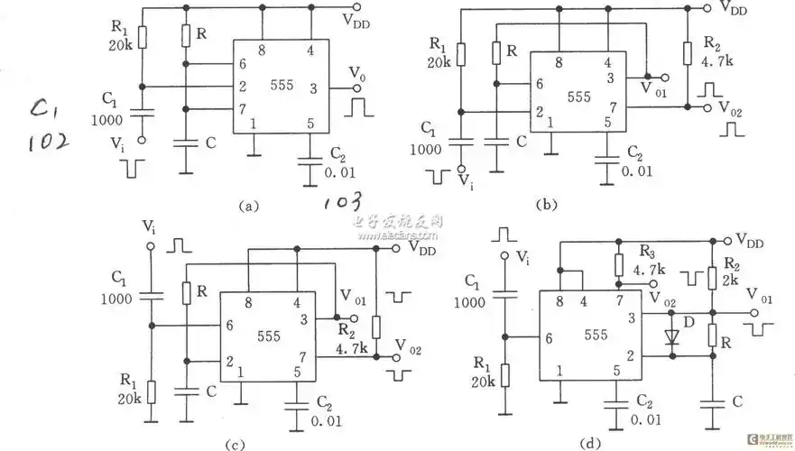
555构成的单稳态触发器的四种电路设计