图知网
搜索
首页
热门推荐
图片分类
正品祥声牌智能电子调节器12v24v通用型电瓶充电汽车发电机调节器
下载原图
相关图片
柴油车的启动锁与调节器和发电机如何连接?
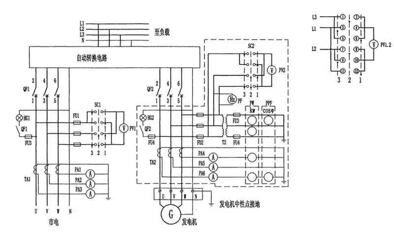
汽车发电机接线原理图
发电机接线图.jpg
启动控制和励磁系统在柴油发电机组上的接线布置图
小型汽油发电机怎么接线
农用车硅整流交流发电机纯铜汽车叉车三轮车农机柴油机24伏小型纯铜线
为你推荐
思考卡通图片
朱字的图片头像
[试管婴儿]移植囊胚第九天和第10天出血了
追答 图中的都是常见的洗衣标签 我也查过其他数据, 都没有找到和您
爱恨悠悠简谱电视剧白蛇后传主题曲神仙姐姐个人制谱园地
05:20:27小学生获奖科幻画作品《花之城堡》赏析(1)儿童创意美术儿童
"落叶的位置,谱出一首诗,时间在消逝~"apple music林俊杰《关键词》
占地96平三层小别墅设计图,精致漂亮,有一所这样的房子,绝不愿在城里