图知网
搜索
首页
热门推荐
图片分类
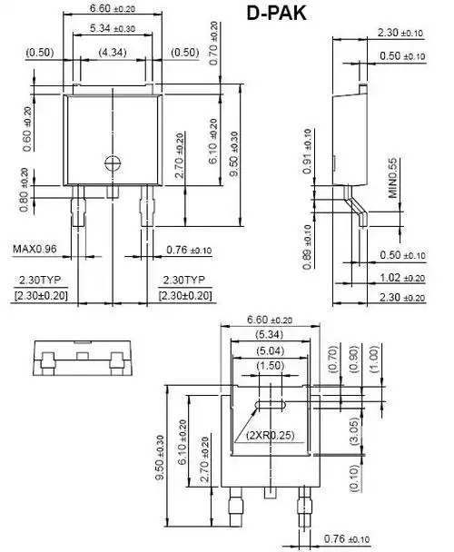
l7824acppdf文件及第1页内容在线浏览
下载原图
相关图片
30v直流电源加上7824能当24v稳压电源吗
lm7824中文资料
l7824cd2t-tr pdf datasheet浏览和下载
模拟电子技术 分析计算题
芯片引脚及主要特性z86l438位微控制器
译码
为你推荐
刘亦菲又胖嘴巴又怪能不能艳压范冰冰看看她俩的合照就有答案了
赵丽颖,1987年10月16日出生于河北省廊坊市,中国大陆女演员.
钩织发卡手工编织制作diy毛线钩针勾线手工活在家发夹材料包 - 抖音
一些美女合照697869点开大图观
天国的阶梯风靡一时范洙韩国综艺再唱主题曲
香港宋韶光运程通胜日历16开
蜡笔小新图片头像高清可爱
家用祠堂庆典对联春节过年结婚婚嫁升学乔迁之喜对联