图知网
搜索
首页
热门推荐
图片分类
女演员之间的竞争就比较激烈,杨紫从投票开始就持续领先,以第一的名次
下载原图
相关图片
娱乐圈女明星人气排行榜,杨颖第二,鞠婧祎上榜,第一理所应当
最新女明星人气榜段奥娟第三欧阳娜娜第二第一实至名归
原创百度女明星排行榜,赵丽颖第九,热巴第二,榜首实至名归
2022年人气女明星排名,刘雨昕,赵今麦实力上榜,赵丽颖位居第二
2020年7月份女明星热度排行榜,你pick哪一个?
中国女明星粉丝排行榜前十名中国女明星谁的粉丝量最多前十名
为你推荐
男子雷蒙多(raimundo)20年前因蚊虫叮咬而感染淋巴丝虫病(俗称象皮病)
荷尔蒙爆棚的寸头男演员:千玺复古,张一山痞帅,谢静意料之外|欧豪|易
火柴人翻页动画,刀法练习!10级美颜还挽救不了那个阴影21_21
心若向阳,无畏悲伤#人生是一场修行 #学会释然 - 抖音
矢量图.白底黑
回帖得丁当你收到过哪些奇葩锦旗
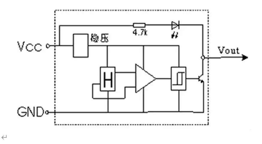
霍尔接近传感器工作原理介绍
二柴一生|动漫|网络表情|东篱丶 - 原创作品 - 站酷 (zcool)