图知网
搜索
首页
热门推荐
图片分类
工业风冷色调卫生间妥妥的时尚大片
下载原图
相关图片
175平米现代简约风四室卫生间装修效果图,盥洗区创意设计图
卫生间设计.创意干湿分离卫生间设计,整体奶油色系温馨又清新, - 抖音
设计灵感 | 几款原生态卫生间设计
资讯 创意卫生间,瞬间提升时尚舒适感 设计要点:小平米的卫浴空间较
东南亚风格创意卫生间装修效果图
150平米现代简约风四室卫生间装修效果图,盥洗区创意设计图
为你推荐
开眼角前后对比照片图分享 放大效果满分,成功蜕变大眼萌妹!
杨丞琳全新look释出穿米黄色西装随性有型
跳动的心脏素描画
猫爸爸周边恭喜玩偶钥匙扣
液压泵电磁阀 yn35v00048f1 kdrde5k-31/30c50-122 用于神钢挖掘机
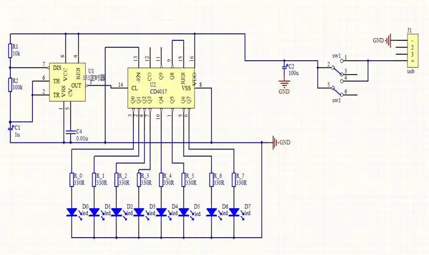
流水灯的原理图
大线索报道:图文设计,深度打造ip - 知乎
您好欢迎进入福州管道疏通服务中心服务范围水道疏通马桶疏通疏通地漏