图知网
搜索
首页
热门推荐
图片分类
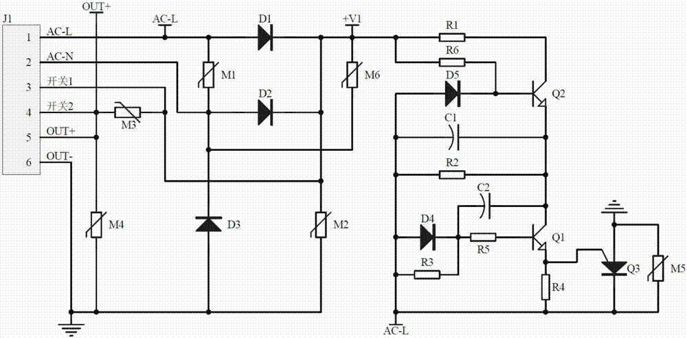
直角减速电机的刹车整流器是什么
下载原图
相关图片
df75la160三社整流桥桥堆整流桥桥式整流器51
开关电源中的整流电路工作原理及其意义
刹车整流器内部电路图制动及应用-上海奕步电机
一种新型双压响应制动整流器制造技术,制动电机整流器专利_技高网
cn102097968a_整流器电路有效
发电机整流原理图,怎么样工作
为你推荐
秦娟 (演员蔡国庆的妻子)
火影忍者秽土转生宇智波斑自截头像
沈阳市政府广场实力歌手张实最美不过夕阳红美声版真好听
泡沫简谱 邓紫棋:虽然一刹花火,虽然你不爱我-钢琴谱网
天官赐福花城q版简笔画
howyoulikethat古筝谱
客订160cm精品溪流缸造景!
加腋梁钢筋长度