图知网
搜索
首页
热门推荐
图片分类
白玫瑰
下载原图
相关图片
白玫瑰
白玫瑰系列
ins风北欧简约清新素雅仿真假白色玫瑰花家居装饰花艺餐桌摆件设
白玫瑰
ins风白骄傲玫瑰花束
白玫瑰ins
为你推荐
袁冰妍的身材不是盖的,连锁骨都成"精"了,璇玑快来捉妖啦!
女性成长励志剧《做自己的光》杀青
科比老婆瓦妮莎身高体重(身材发福似怀孕!
2021各大卫视元宵晚会来啦你最期待哪一个
所有行业 安全防护 警军用品 防弹头盔 快速防弹头盔 nij iiia
关键词:超炫震撼三维动感倒计时高清视频3秒倒计时倒数婚礼倒数活动
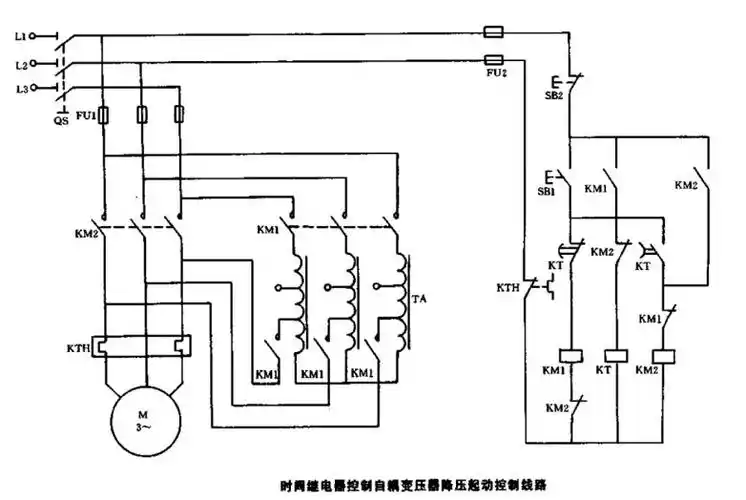
求自耦降压启动电路图
这部性别转换的作品票房250亿日元那个男人要成为爆款制造机吗