图知网
搜索
首页
热门推荐
图片分类
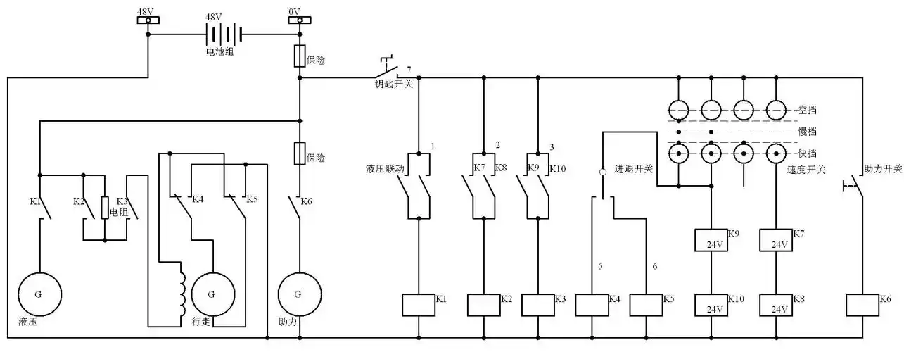
一种非接触式电动叉车起重操纵装置
下载原图
相关图片
电瓶叉车电路图
叉车定时充电电路的制作方法
电动叉车自动换挡控制系统及其控制方法与流程
电动叉车控制器电路图大全(稳压电源/有刷控制器/89c2051控制器)
电动叉车控制器预充电不足的原因及改进措施
所述电动叉车包括动力电池,所述控制系统包括:逆变电路,所述逆变电路
为你推荐
香港维多利亚港的日落景色
街子兰花博览会上淘到的送春新品红花
「初一年级英语书法比赛」获奖名单
简单分辨浅交火口冒充的"罗汉" - 龙巅罗汉鱼 - powered by discuz!
中华人民共和国国歌 歌谱简谱网
零炮楼剧情
环保服装 #幼儿园手工衣服制作 - 抖音
回顾女子1岁烧伤毁容,小学文化嫁北大老公,逆袭成女王身价千万