图知网
搜索
首页
热门推荐
图片分类
稳压二极管的计算已知稳压管的稳压值uz=6v,稳定电流的最小值izmin=5
下载原图
相关图片
调整管工作在线性状态下的直流稳压电源的特点 - 泰斯网
稳压二极管的应用电路与原理
3.3v稳压管,为何稳定在2.4v?
稳压二极管加在5v1.5a的输出,变成3.3v,要串电阻吗?
稳压二极管工作原理重要参数意义与典型电路参数
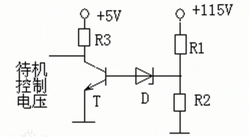
在此电路中,三极管t的基极被稳压 二极管d稳定在13v,那么其发射极就
为你推荐
金星当年做手术前领导苦心劝导,多年后才知其良苦用心
品牌全球首席代言人#【20230811@安踏gzh更新】王一博的舞台暗号是?
小起,半藏森林
海淀名师伴你学同步学练测地理九年级地理全一册
周三漂亮早安静态问候美图早上好暖心祝福语优美句子
为让入住的新生有不一样的体验,在对学生宿舍进行全面整合后,在暑假
人像素描美丽可爱的姑娘
客厅养花,建议摆放一盆发财树,大气有寓意!来看4个养护细节