图知网
搜索
首页
热门推荐
图片分类
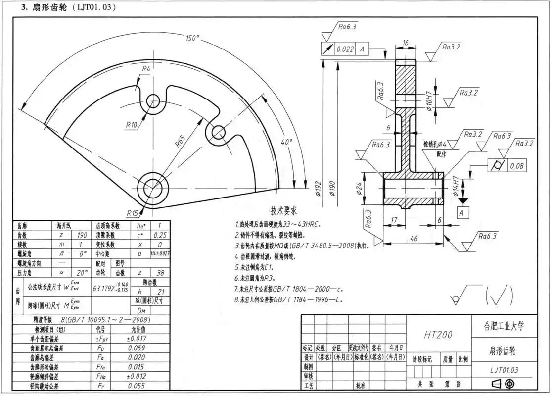
解惑求助:齿轮加工,定位基准问题
下载原图
相关图片
如何让你的图纸看起来很专业.图纸规范美观标注
c24664-齿轮零件机械加工工艺工程设计
solidworks中齿轮的图纸表达方案
齿轮cad图纸分享.今天这单画了80元.#机械设计 大家看看
齿轮类标准图纸,增强出图技能最好的方法,就是多看别人的图纸
为你推荐
金映奖来自17岁的甜颜秘语,《秘语》mv花絮来咯~ #欧阳娜娜陈飞宇
山地车变速器调整山地车变速器调整及前拨的安装
唯美满天星头像片
【稀缺资源】原神《胡桃》壁纸
360影视-影视搜索
古怨古琴谱
李老板经常拖欠光头强的工资,他一个人住在森林里
aiyo夏装新款七分中裤纽扣牛仔裤女k6003 图片色 27