图知网
搜索
首页
热门推荐
图片分类
快点漫画逃亡死寂岛
下载原图
相关图片
逃亡丧尸岛79冷门血浆人类猎杀丧尸
《世界恶鬼图鉴》《她不好惹》仄黎文《半夜停尸房》《逃亡死寂岛》
逃亡僵尸岛人类把僵尸关进孤岛屠杀取乐没想到把丧尸病毒感染全球丧尸
如何看待逃亡死寂岛里的谷歌
死寂逃亡 3_哔哩哔哩_bilibili
逃亡死寂岛真的特别好看的
为你推荐
通信大数据行程卡app上线用户可使用其证明自己行程
素描写生素材漂亮的瓶花主题照片
炒红辣椒照片-正版商用图片1kc43t-摄图新视界
关键词:速冻广告 速冻食品 清凉素材 冰块 动感水花 茶水 汤圆 速食
可爱的小女孩两条辫子的头发
原创厦门山海健康步道添新路线空中自行车道实现一道两用变废为宝
香香莉2020夏天新款女鞋透明水钻露趾青年时尚时装凉鞋
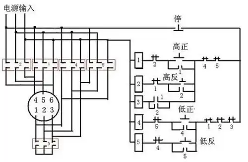
双速电机正反转接线图