图知网
搜索
首页
热门推荐
图片分类
稳压三极管(三极管稳压电路的原理与分析)
下载原图
相关图片
三相稳压器在摩托车中的电路图
电流3a 请问下电路中电阻 电容 以及三端稳压电源 整流桥 和变压器的
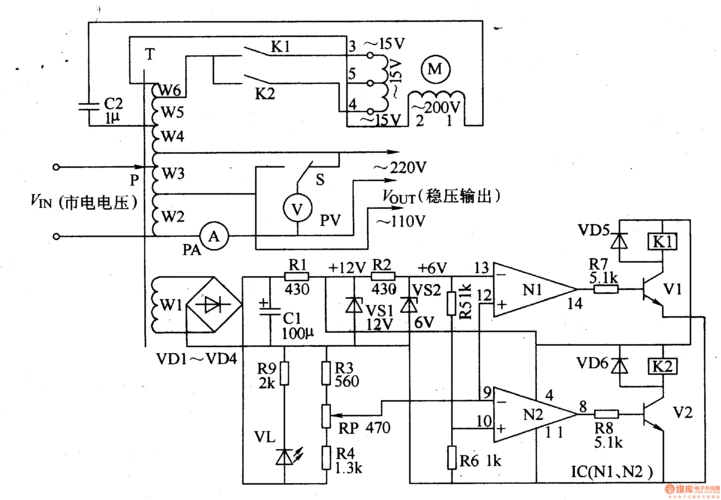
该交流稳压器电路由稳压电路,电压检测控制电路和调压输出电路组成
求简单的稳压电路图
交流稳压器电路图
智能型补偿式稳压器
为你推荐
头像丨极简个性头像
许亚军我不怕你人民的名义gif动图_动态图_表情包下载_soogif
新鲜苦参现挖整根地槐条好汉枝山槐根 1斤鲜挖苦参【图片 价格 品牌
岭南版四年级美术神秘的图腾柱
原创57岁吴宗宪罕晒全家福他与张葳葳孕有一儿三女都是高颜值
室内装饰装修设计门厅鞋柜内部结构立面图
1型神经纤维瘤(nf1)