图知网
搜索
首页
热门推荐
图片分类
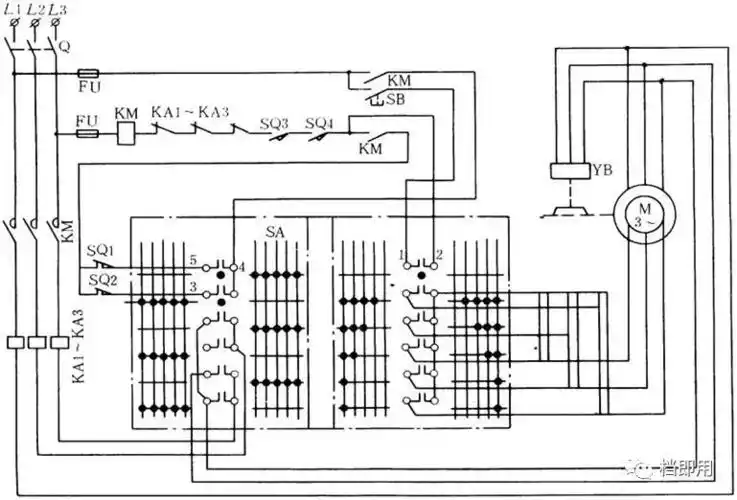
主令控制器(什么是主令电器?)_环球信息网
下载原图
相关图片
主令控制器,电磁抱闸器结构和工作原理,学习电流继电器和电压继
跪求20/5t行车电气原理图,是凸轮控制的,要控制线图.
电机控制器运作原理
凸轮控制器开路接线图
3主令控制器工作原理1,主令控制器的结构图中1与7为固定于方轴上的
智能主令控制器znlk10j
为你推荐
司藤
2021春晚主持人风采
双鱼座的飘忽心理被边缘化的原因是什么
40首古诗(带拼音)
动物学家拍到灰海豹日常,在水下有奇怪的举动,疑在追求女朋友
一种昆虫——巴西角蝉 巴西角蝉又名四瘤角蝉,巴西瘤角蝉,是半翅目,角
lisa. 酱 苏琪/. - 堆糖,美图壁纸兴趣社区
"喜迎国庆七十一周年——我爱你祖国"五年级学生作品展