图知网
搜索
首页
热门推荐
图片分类
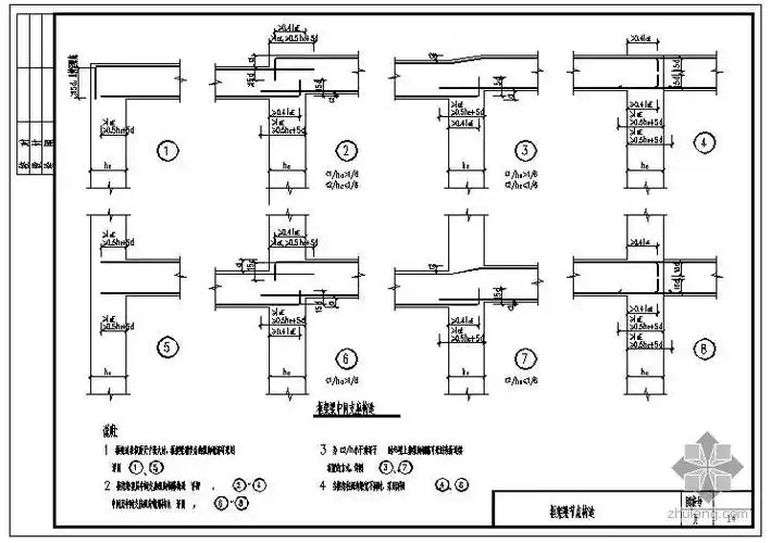
转行业分享钢框架梁柱连接节点构造图文并茂
下载原图
相关图片
框架梁节点构造详图
框架扁梁箍筋起步距离:50mm
框扁梁附加筋锚固长度从哪算起
分享框架扁梁节点资料下载
重点掌握: 1.掌握框架扁梁边柱节点构造要求.(直锚0.5b指自身宽度) 2.
框架结构梁柱节点构造.ppt
为你推荐
浅谈唐代传统服饰图案纹样在插画中的运用
心动的感觉池昌旭便利店新星
假期五月出游机票盲盒对比汇总
萌娃wuli兔妹权律二~ @权律二yul_i
日本原装二手音响kenwood建伍a9发烧纯音音乐其他大家电配件
更新一波关于情侣的头像
宝马530li,领先m运动套装,2023年上牌,几个
铝合金玻璃谷仓门吊轨厨房单扇移门推拉门隔断厕所门卫生间门简约