图知网
搜索
首页
热门推荐
图片分类
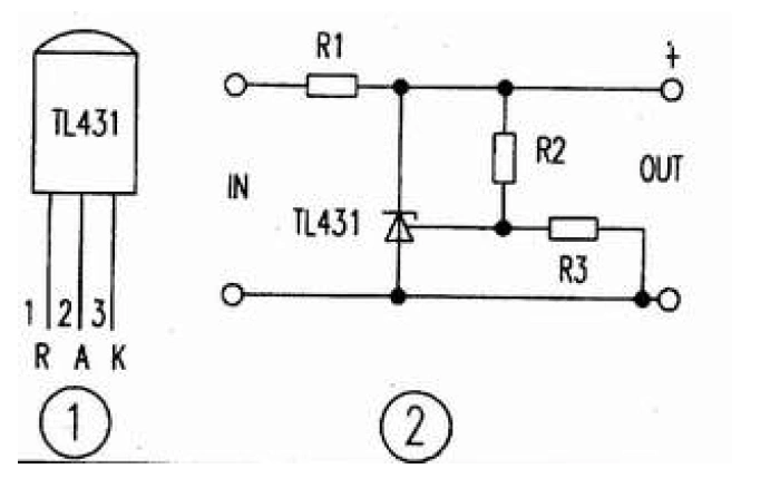
设计开关电源之前,必做的分析模拟和实验(之三)
下载原图
相关图片
用tl431制作的可调压电源电路图
一款采用tl431的大电流可调稳压电源电路分析
采用tl431的稳压电路.jpg
一款太阳能稳压电源电路图
如图电路中tl-431的作用是什么?起保护电池低压作用吗?还是充电保护
tl431可控精密稳压源原理及多种经典应用电路介绍-电子发烧友网
为你推荐
劲爆!身高体重比例表"比比皆是"-第2张图片-马山博客
这个男人是什么眉型
现代折纸欣赏仓鼠hamster
张思乐中戏毕业,科班出身的她曾在《最美的青春》中扮演过张曼玲,很哥
304不锈钢天沟 不锈钢水槽 屋顶排水镀锌天沟 泓信厂家直供图片
拔罐调理病症之~膝关节痛 - 知乎
powered by discuz!
6000lv16 擅长:暂未定制 参与团队:电力 向ta提问私信ta 参考上图接线