图知网
搜索
首页
热门推荐
图片分类
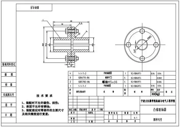
a4联轴器装配图pdf
下载原图
相关图片
a4联轴器装配图pdf
求助:方便分离拆卸,同时保证高精度的联轴器_传动_问题_电机
7.1.2.凸缘联轴器装配图介绍及配置
无忧文档 所有分类 工程科技 机械/仪表 联轴器的安装,操作和维护保养
联轴器工艺及铣端面夹具设计zip
联轴器wgt11cad图纸下载_减/变速器,传动_机械图纸 - 机械5
为你推荐
沈月- 堆糖,美图壁纸兴趣社区
《步步惊情》电视剧吴奇隆刘诗诗
本期科普一些生活中最常见的天牛,可以收藏备用. - 抖音
hoscene长袖速干体能长袖海魂衫海军衫蓝白条纹圆领衫运动t恤男
河南省的地域调整,17个地级市之一,驻马店市为何有10个区县?
「毒舌电影」产品体验报告
南京旅游打卡的景点,都是国家5a景区,景美且文化底蕴深厚
原创田英章的钢笔行书《庐山草堂记》,笔墨清晰,练钢笔字的首选帖