图知网
搜索
首页
热门推荐
图片分类
贺卡里的流金童年--泰和县实验小学五年级英语贺卡制作大赛优秀作品
下载原图
相关图片
美篇
贺卡里的流金童年--泰和县实验小学五年级英语贺卡制作大赛优秀作品
湖塘桥实验小学五年级英语组举行生日贺卡制作比赛
贺卡里的流金童年--泰和县实验小学五年级英语贺卡制作大赛优秀作品
五年级学生英语寒假作业展
"英"对疫情 "英"难而上 ——记团溪小学五年级英语在线学习
为你推荐
杂志李到晛allurekorea十八周年刊封面
谢天华
【前额法式空气刘海】假发女刘海自然网红夏真发无痕假发片假刘海
七里香
戴口罩的王子文,穿搭依然帅气可爱,会穿搭的女人挡不住魅力_毛衣_时尚
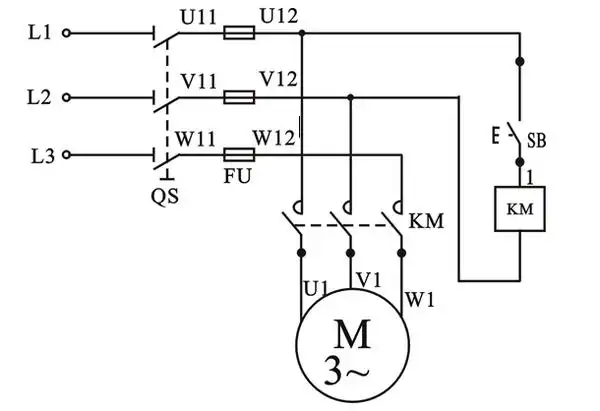
二,电路图一,操作所需电器元件明细表三相异步电动机接触器点动控制
哪里有火影忍者木叶的标志,我要传来做qq头相!
极简一字型淋浴房隔断解救选择困难症