图知网
搜索
首页
热门推荐
图片分类
箱梁是什么形状的?请快快给答案
下载原图
相关图片
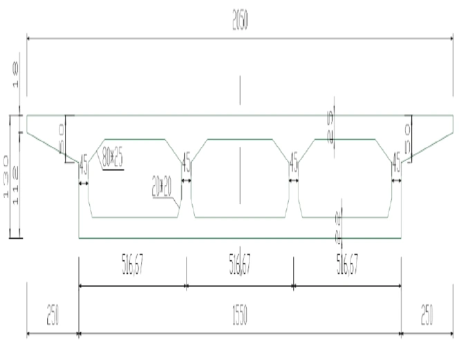
单箱三室横断面示意图
钢箱梁横断面采用单箱三室构造,两侧边室为风嘴兼检修道,宽 1.
施工图纸中箱梁构造图数字表示的意思
箱梁断面图
桥梁横断面图(单位:cm)
箱梁一般构造断面图
为你推荐
千库编辑原创静心竹子水墨画绿色中国风手机壁纸
而到了 135mm,取景角度就只有 18°了,也就是说我们在使用中长焦镜头
【4k/60fps】你有我红吗?金泫雅/lip & hip/mv,收藏级画质
山水sg108广场舞音响户外10移动拉杆12家用k歌演出大功率音箱15
凹凸世界 #雷安 #参赛者九樱吖 小号
2019年8月3日【北风新语】
东南亚风格四居室样板间设计施工图(附效果图)
5000万韩元是多少人民币5000万韩元