图知网
搜索
首页
热门推荐
图片分类
大哭哇斑马搞笑 i>卡 /i> i>通 /i>可爱卖萌动态gif表情
下载原图
相关图片
派派棠萌妹表情包
平头哥 - 斗图大会 - 金馆长表情库 - 真正的斗图网站 - pkdoutu.com
金馆长蘑菇头红嘴唇哇哦真嘞吗gif动图_动态图_表情包下载_soogif
emm想你想你想我表情包 - emm想你想你想我微信表情包 - emm想你想你
哇 表情包.png
哇奥 惊讶 - 斗图表情包 - 爱逗图
为你推荐
帝奥斯门窗举行开工典礼 正式开工复产
《星月童话》自截图 挚爱哥哥
养脾与养胃有啥不同1篇文章告诉您中医脾与胃的区别
二年一班快乐校本课!剪纸贴画小螃蟹
h.e">s.h.e /a>成员之一.
网红空气刘海真发女 法式八字自然无痕头顶补发盖假发片3d遮白发 【5*
王者荣耀澜头像
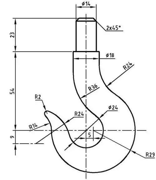
autocad 基础教程:绘制吊钩