图知网
搜索
首页
热门推荐
图片分类
cn207876496u_一种自动调节罐内压力的加油站地下储油罐有效
下载原图
相关图片
非金属双层地下油罐在加油站中的推广运用
双层地下储油罐及加油系统的制作方法
某省经典5吨地下油罐cad施工图
加油站卧式埋地油罐基础的做法
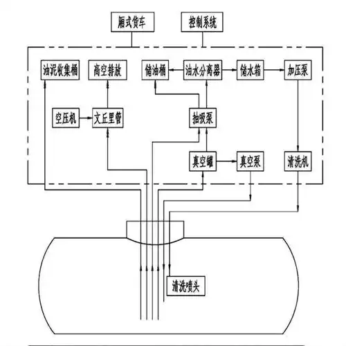
防爆式油罐清洗机 地下储油罐自动清洗系统 加油站油罐清洗设备
两套加油站网架结构图 油罐基础图
为你推荐
女孩中,杨紫和关晓彤现在可是火得不得了,都成了娱乐圈的一线明星啦!
男生m字发际线怎么选发型这5种剪法可以拯救别再剪错了
大山顶榔榆树的传说
blackpink成员齐发力!jisoo 成为dior时装及彩妆品牌大使
第四届admic汽车数字化&营销创新峰会暨金璨奖颁奖盛典 圆满收官
保罗克利paulklee高清作品欣赏
65式老军装老式涤卡的良干部服套装男女款怀旧绿色军装聚会演出服
西安进门玄关墙怎么设计好看玄关设计效果图大全