图知网
搜索
首页
热门推荐
图片分类
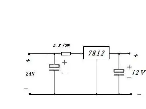
用7812稳压 那电解电容要怎么接.有图片吗?
下载原图
相关图片
请问7812电路保护二极管的位置对吗
高分高分 请设计一个输出为20v的直流电压的电路图(要求用稳压7812)
7812扩流电路图
7812记得加散热片
怎么样才能把24伏的直流电压变成12伏?
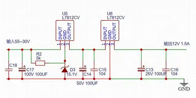
7812的高级使用方法(直流48伏转12伏 1.5a)
为你推荐
壁纸分辨率:(1920x1080))查看原图你的电脑分辨率(1600x1600)→生成
斗罗大陆#斗罗大陆:唐三做了三件事,帮助唐昊重回巅峰
收集_点赞评论伪装小丑的王子月色樱草_情侣头像系列_微博
张捷当前经济形势与理论政策分析
用纸箱做的猫砂盆
大暑表情热到融化人物插画
温馨提示办公区禁止吸烟小红书封面
生鲜配送logo宣传推广海鲜