图知网
搜索
首页
热门推荐
图片分类
tl431调压电源电路问题_百度知道
下载原图
相关图片
求助multisim仿真tl431电路,导致阴极没有电流,光耦也没有电流 - 24小
tl431调压 我想输出得到3伏,电流300ua或 3.3伏 电流700ua 是给ic供电
tl431调压原理
tl431的3.7v电路的问题_百度知道
这个电路里的tl431能不能工作-综合电源技术-世纪电源网社区
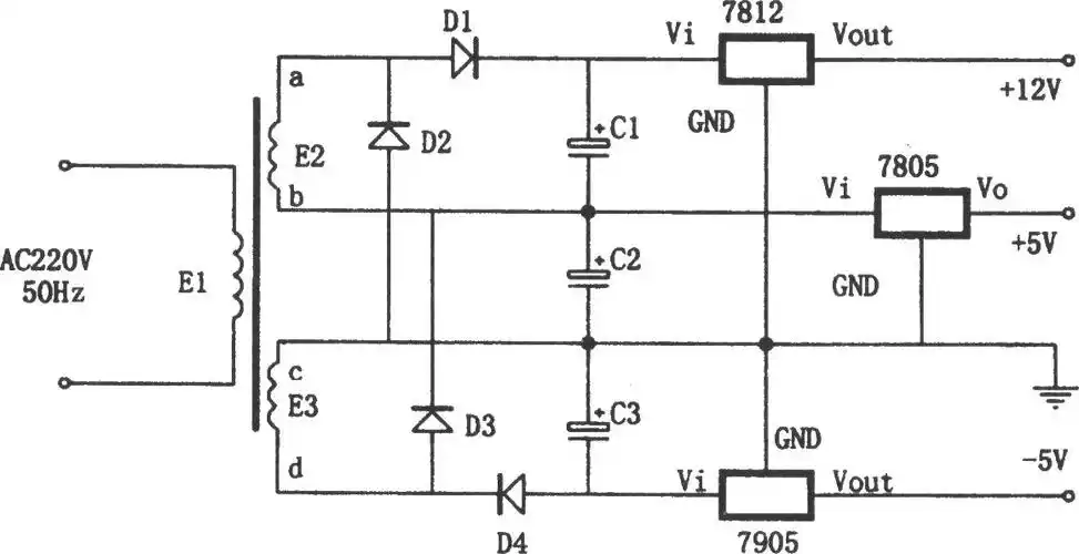
稳压电源电路图 - 电源电路图 - 电子发烧友网
为你推荐
认真叠衣服爱劳动的小女生卡通儿童简笔画大全-红豆饭小学生简笔画
小型热带鱼的饲养方法
的一直到手臂的部分缠上了厚厚的胶布,似乎就是受伤后不久被包扎的
儿童浅表淋巴结肿大的那些事
手绘古代令旗免抠元素
山西天勤塑料管材200*1.6mpape自来水给水管焊接完成效果图
大神们锦鲤蒙眼,突眼怎么治 - 锦鲤玩家 - 龙巅锦鲤鱼
市十三届人大常委会举行第三十八次会议