图知网
搜索
首页
热门推荐
图片分类
ltc7812封装图解一
下载原图
相关图片
lm7812输入电压范围解析
三端集成稳压器的封装和引脚功能
三端大功率铁壳7812稳压管接线图
三端稳压器7812封装尺寸(塑封)
现货批发utc7812三端稳压集成电路 友旺yw封装to-220 三端稳压ic
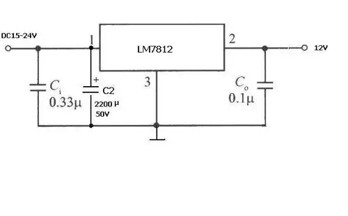
7812稳压电源电路图
为你推荐
女生真人头像无水印【上】
线条画王一博
新天龙八部:特色服务器没有强化活动怎么办?
2021超火的短发染发发色,神仙显白爱了爱了
查看全部图片(7张)位置 - 天涯区 - 凤凰镇 三亚凤凰国际机场-三亚市
刘翔与现任妻子同行,看得出来两个人感情很好,至始至终手都没有分开过
工笔画技法:李晓明《临宋晴春蝶戏图》绘制步骤
家族史