图知网
搜索
首页
热门推荐
图片分类
lm301an构成的音调控制电路图
下载原图
相关图片
经典无源音调控制电路
反馈试简易音调电路.jpg
谁有好的比较简单音调电路.我想做个.本人喜欢听dj舞曲.
ic前级负反馈音调电路我和我的小伙伴迷惑了
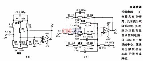
有源音调控制电路图
三通道音调控制-控制电路-维库电子市场网
为你推荐
二次元动漫壁纸手机壁纸唯美背景图
人物简笔画动漫人物简笔画美少女战士 月野兔简笔画图片蓝精灵熊二的
最帅的二次元动漫男生头像黑白头像
明星美图刘亦菲神仙姐姐
长发女神qq女生头像你的长发是一首最美的诗
人体器官结构图五脏六腑肾的位置11个部位功能和作用介绍
公主与王子头像情侣
周三最新早上好图片大全问候语 唯美早安发朋友圈的心情说说语句