图知网
搜索
首页
热门推荐
图片分类
its my honor 让世界有点不同——荣耀7众测体验
下载原图
相关图片
荣耀7i(ath-tl00h/移动4g)【报价_图片_参数_评测】_贵阳科正通讯-zol
荣耀7i配置参数
华为荣耀7(plk-tl01h/移动4g)详细参数如图所示
荣耀畅玩7
荣耀7好还是p8
详细对比看看荣耀7与荣耀7i的区别,首先还是先来看看这两款手机的参数
为你推荐
欧阳娜娜和王源时尚大片,同穿"情侣装"太甜了,少男少女真养眼
马嘉祺个人资料 马嘉祺个人资料(附赠几张照片)
30岁男生不要乱剪发型,试试这3款"短发"发型,很阳光帅气!
动物园的工作人员和企鹅
画一个泰塔斯奥特曼你觉得他帅气吗
蒂亚花,是 a href="#" data-lemmaid="1910574">南非共和国 /a>的国花
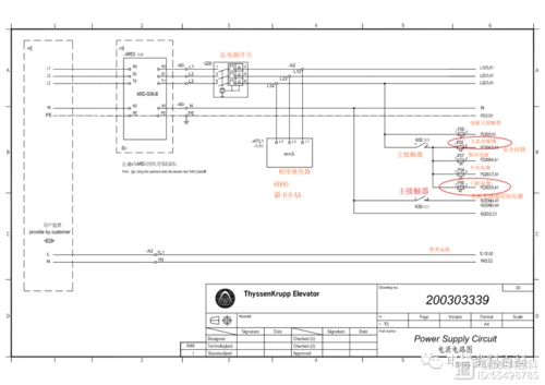
蒂森mc2电器原理图讲解带标注
山里有很多宝贝,野生黄连.