图知网
搜索
首页
热门推荐
图片分类
第二次世界大战z(2013),高清剧照,手机锁屏图片 - 回车壁纸
下载原图
相关图片
世界大战(2005)1280x800分辨率下载,世界大战(2005),高清剧照,手机
世界大战剧照
世界大战剧照
世界大战剧照
世界大战剧照
世界大战剧照
为你推荐
艳的笔顺笔画顺序怎么写(艳的拼音怎么读,正确写法,成语及意思)
伍思凯现身林俊杰台北演唱会调侃对方是自己中年后的偶像
高清好看的动漫情侣头像神仙情头图片
jennie ins
只要内心诚恳 所有吃的食物就都是零卡路里的 这类胖子,当朋友减肥的
棉花糖头像图片大全_清新可爱棉花糖头像图片_微信头像图片大全
新生儿重症监护室患有唐氏综合征的婴儿
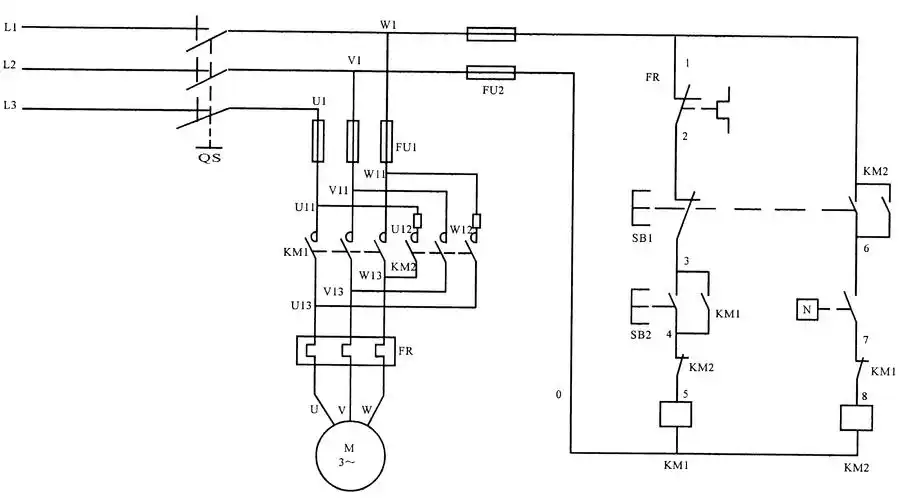
异步电动机反接制动控制电路实验原理