图知网
搜索
首页
热门推荐
图片分类
商用燃气灶标准 商用燃气灶用气量 商用燃气灶配件
下载原图
相关图片
双亚韩式煲仔炉多头节能商用燃气灶多眼天然气液化气煤气灶一大四
商用天然气煤气煲仔炉灶定制链接专用
不锈钢商用燃气灶双炒双温猛火灶厨房饭店猛火灶
猛火商用煤气灶燃气灶单灶头灶头爆炒支架酒店饭店小型燃气灶
商用厨房节能天然气猛火灶酒店专用饭店炒菜灶台
猛火炉商用单灶饭店酒店食堂煤气液化气天然气灶中高压爆炒炉架子
为你推荐
伯鲁提 berluti 2019/20秋冬男装发布秀(细节) - paris fall 2019
明星|谭松韵头像壁纸
桥梁钢筋网
海捕新鲜黄花鱼海鲜干货冷冻野生鲜活详情页
摆摊小吃车推车多功能夜市商用扒炉油炸麻辣烫铁板烧关东煮手推移动餐
敲黑板,重点来了
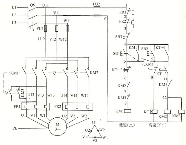
任务书 一,施工任务描述 一车间新进了一台双速电机
世界十大猛犬排名是怎样的?