图知网
搜索
首页
热门推荐
图片分类
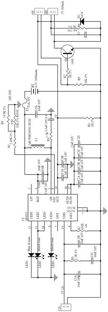
一种静电喷雾器控制电路的制作方法
下载原图
相关图片
电动喷雾器电路图
电动喷雾器更换水泵,调速开关和电瓶接线,这几点一定要注意
农用12伏电动喷雾器调速器电源红开关充电插座打药机机身通用配件
cn210686258u_电动喷雾器水泵驱动电路有效
用于雾化器的控制电路及方法
消防喷洒泵控制原理图
为你推荐
常熟路沿街独栋花园洋房
我的世界生存挑战游戏 史蒂夫生存第一天不太友好的苦力怕
沙雕小众又很高级的搞笑头像图片
周末去哪里玩,浙江舟山自驾一日游,大家都喜欢哪些景点?
绘本故事《鸡毛信》红色经典故事
卡其色系也是秋冬常见配色,按图片搭配就行哦.
鲁班七号_手机壁纸_动漫卡通手机壁纸_我要个性网
二次元男生女生头像!头戴式耳机特辑p站美图欣赏_人群_必备