图知网
搜索
首页
热门推荐
图片分类
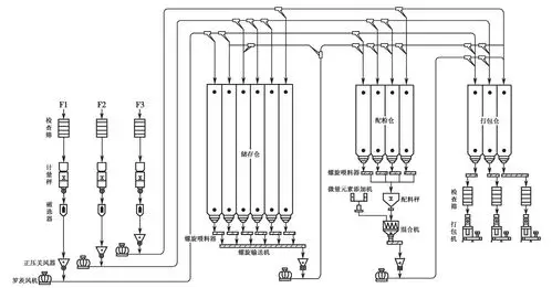
小麦制粉流程图 - 工艺流程 - 安阳市龙泰粮油机械有限公司
下载原图
相关图片
若内容存在侵权,请进行举报或认领文档简介小麦粉生产工艺流程图筛 理
一粒小麦如何变成面粉
制粉工艺流程示意图
小麦粉加工生产工艺流程图
小麦加工工艺流程图课件
专用面粉生产工艺流程图.doc
为你推荐
西方人,一个人,躺,闭眼,抱,睡,竖图,俯视,室内,白天,床,靠垫,卧室
妖神记龙羽音:被聂离所折服,拜聂离为师,组建玄音
乔丹篮球鞋男鞋正品折扣 新品大黄蜂系列耐磨运动鞋am435
花繁叶茂第31集-电视剧-全集-高清正版在线观看-bilibili-哔哩哔哩
恐怖幽灵的简单介绍
豪华轿车不必只看bba拒绝随波逐流捷豹xfl能满足个性化购车需求
光良独自演绎组合无印良品经典《掌心》,又是回味经典的时刻
广元花花世界开园 七彩花海成"网红"