图知网
搜索
首页
热门推荐
图片分类
[doge]獾院换成苏珊或者汉娜会更好[doge]原画师@迟小若ruo#哈利波特
下载原图
相关图片
第一个是赫敏,第二个是汉娜,第三个是卡珊德拉,第四个是卢娜#哈利波特
《哈利波特》神圣二十八姓!原来这些客串角色有超狂背景_网易订阅
哈利波特原著中的六大美女,赫敏只能排第五,第一有血统作弊
马奇家的大女儿梅格长的最漂亮,2019版里大女儿梅格是由《哈利波特》
【哈利波特】霍格沃茨魔法史——汉娜61艾博
汉娜艾博
为你推荐
kiss 唯美
鱼丁糸丶
绘画素材丨角色女仆互动素材模板7515 今天给大家带来一个女仆
晚上睡觉的女人晚上健康睡在床上,漂亮的年轻黑发女人睡觉照片
动漫头像丨海贼王路飞头像
赵文琪
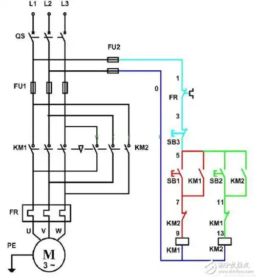
电机正反转原理
位于中国广东省的鼎湖山以其优美的风景,独特的地质景观和丰富的历史