图知网
搜索
首页
热门推荐
图片分类
王一博李子璇绯闻引热议网友曝恋情细节网友经不起推敲
下载原图
相关图片
活动作品五六选手与导师的恋爱王一博王子璇
李子璇跳舞被指酷似王一博,两人情侣装暴露,网友:赶紧在一起吧_恋情
王一博李子璇疑似同居双方被爆多处情侣款女方心虚秒删动态
王一博/赵丽颖"姐弟实锤版"现场拍摄,一博谈及做演员和舞台的感观
王一博王子璇第一次见面很尴尬然而实际情况却是前方高甜预警
王子璇王一博什么关系:王子璇怎么出道的
为你推荐
中年女性发型别乱烫,这样烫优雅时尚有气质,千万别错过
的确,万茜以短发形象在娱乐圈中独树一帜,辨识度和特点鲜明,给人一种
帅气可爱的女动漫头像图片萌系姑凉
3月7日,模特在法国巴黎时装周上展示香奈儿品牌的2023-2024秋冬新款
点赞动态图 - 堆糖,美图壁纸兴趣社区
【mmd动作预览】se09orita 甜到掉牙的双人舞~_哔哩哔哩_bilibili
麻辣甜心
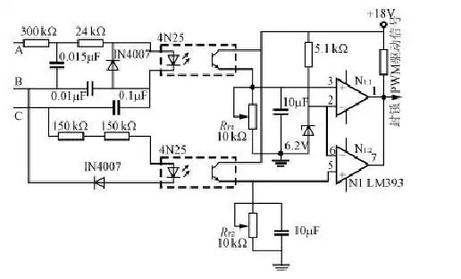
双光耦开关电源电路图开关电源常用的几种保护电路