图知网
搜索
首页
热门推荐
图片分类
各类道岔尺寸表
下载原图
相关图片
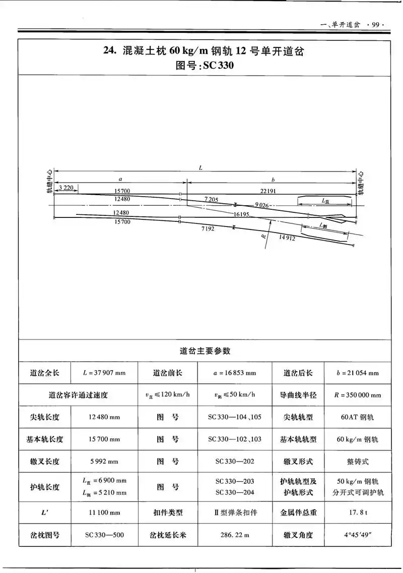
供应60kg/m钢轨12号单开道岔(sc330)
【淮西电务车间】淮西站2006道岔联合检查(立项)
混凝土枕60kg/m钢轨12号单开道岔图号sc330#道岔厂 - 抖音
单开道岔主要尺寸
道岔框架图
单开道岔基础知识--常州地铁
为你推荐
激萌星儿
发现发际线好像越来越靠后的时候,鬓角已经有点光秃秃了.
樊少皇
老板花14万元买奔驰s350l跑业务业绩翻倍看到车后都夸他机灵
假面骑士灵骑 日语版 第19集_1080p在线观看平台_腾讯视频
沃尔夫斯堡队徽(最丑足球logo挑战视觉,各种奇葩怪兽粗制滥造)
lavey所成立的"撒旦教"简化后用来当做该教的代表纹章才常常让人误解
快看漫画fog电竞都怕时大佬啊那个踹门那下酷死了