图知网
搜索
首页
热门推荐
图片分类
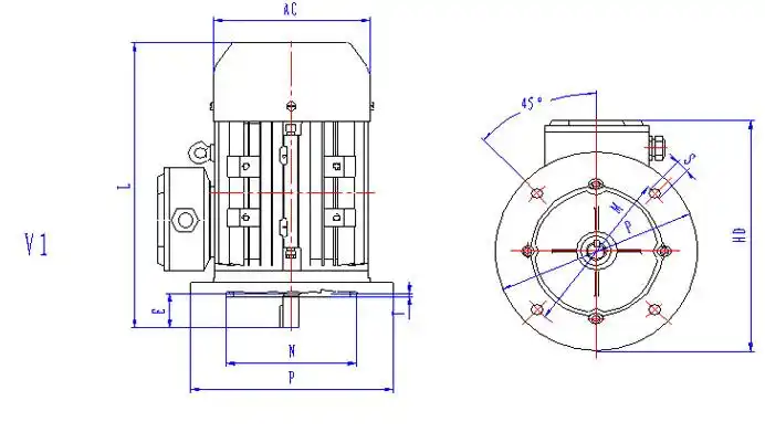
zfqz-250电机安装外形图
下载原图
相关图片
110二相步进电机外形尺寸图
空气烤箱电机r61系列--61-16单速外形图(最新).jpg
新手刚做的电机外形
60st-m系列电机外形及安装尺寸图
时代超群特殊定制24v90w2000转齿轴无刷电机及配套zm6615驱动器参考
ms系列节能铝壳电动机-来恩电机
为你推荐
中古gucci包
臭氧分子结构
得力手工diy白乳胶学生胶水液体白胶可水性洗双头速干儿童幼儿园做
李木木抱图dd
嗨,傻丫头!
慢阻肺急性加重一定要输液治疗么?
12岁儿童胫骨远端三平面骨骺骨折
最新教育纪录片把一座城市变成一所学校大理场