图知网
搜索
首页
热门推荐
图片分类
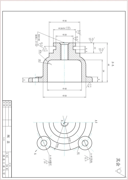
定梁式数控雕刻机机械结构设计
下载原图
相关图片
泵轴机械加工工艺及铣键槽夹具设计.rar
机械制造工艺零件图
安全阀机械制图图纸资料
33吨履带式液压挖掘机全套平面图纸2d图机械cad 说明素材
哈尔滨工业大学精密机械学基础课程设计cad图:滚动轴承,轴系的组合
绘制连接盘平面图
为你推荐
泽波和贝波,这两头熊是亲兄弟,只看海贼王动画的海迷不知道
刘昊然签名照
qq非主流个性签名可爱的
火星你好祝融号成功登陆火星
情侣头像卡通呆萌一对 高清卡通呆萌情侣头像一对
有哪些有意义路飞的壁纸?
浪,花臂_纹身图案手稿图片_大侠的纹身作品集
微微前倾的鞠躬