图知网
搜索
首页
热门推荐
图片分类
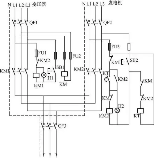
双路电源自动投切电路原理
下载原图
相关图片
双路电源自动投切电路原理
双电源自动切换电路的识读方法
双电源自动切换装置主回路接线示意图
双电源自动切换原理接线图cad图纸
双电源自动切换浮球控制污水泵控制回路
双电源自动切换接线图和操作步骤
为你推荐
孙蔚写真
李沁和吴卓羲携手上演 ,剧中李沁短发示人特显率真气质;12月,国
4脂溢性皮炎药膏篇,也适用于玫瑰痤疮毛囊炎
霖澜老板桌办公桌椅简约现代板式大班台总裁经理桌主管桌办公家具
无忧文档 所有分类 表格/模板 书信模板 简爱读书报告ppt 作者简介
售价58.78万元起,2023款大众途锐正式上市,2.0t动力提升
楚乔传 坏笑 斜视 赢了赢了
贾莫兰特练球图片集锦